

主軸增速器
航空制造專用角度頭
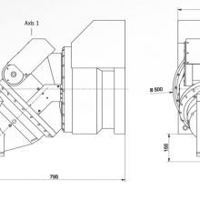
角度頭
數控萬向連續分度銑頭
插槽插齒刀座
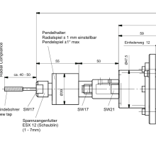
五軸擺頭|數控銑頭
旋風銑動力刀座
航空刀具
醫療骨科零件加工解決方案
航空制造應用解決方案
航空發動機和燃氣輪機葉片打磨拋光解決方案
西鈦珂角度頭加工案例: 卡車制動鉗底部加
1355200039
westec-sh
|關于我們|加入我們|International Inquiry|西鈦珂(上海)工業技術有限公司
( 滬ICP備12020441號-2 )
GMT+8, 2026-1-2 00:10 , Processed in 0.032912 second(s), 13 queries .
© 2012-2016 WESTEC (SHANGHAI)INDUSTRIAL TECH. CO.LTD., ALL RIGHTS RESERVED.